2023.09.14
ブログ
【メッキ技能士直伝】初めての無電解ニッケルメッキ依頼|図面の書き方・膜厚指定・JIS表記を解説

無電解ニッケルメッキはさまざまなメリットのある有効な表面処理方法です。
その用途は幅広く、これから無電解ニッケルメッキを依頼したいという方もいらっしゃると思います。
では実際、ある加工品に無電解ニッケルメッキを行いたいといった場合、メッキメーカーにはどのように依頼すればよいのでしょうか?
メッキメーカーに図面を出すときの図示方法にはさまざまありますが、メッキの表記方法はJISにも規定があるため、それに従うのはとても合理的な方法です。
そこで、本記事では無電解ニッケルメッキを依頼するときの図示法を、初めて依頼する人でも困らないように解説していきます。
1.無電解ニッケルメッキとは
1.1.無電解ニッケルメッキの原理と特徴

素材にニッケルの皮膜を付着させるニッケルメッキには、2つの種類があります。
メッキを行う際に電極を使用して通電を行う電解ニッケルメッキと、電極を用いずに化学反応を利用してニッケル皮膜を付着させる無電解ニッケルメッキです。
電解ニッケルメッキは、さまざまな場面でよく使われる、いわゆる電解メッキの1つです。
下図のように、素材とニッケルを電極につなぎ、電流を流すことで電子のやり取りを行い、結果的に素材表面にニッケル膜を生成させます。
.png)
一方で無電解ニッケルメッキの原理図が下の図です。
1.png)
電極を使用しないかわりに、メッキ液に還元剤が含まれており、素材自体を触媒とした化学還元によってニッケル皮膜を生成させます。
電解ニッケルメッキとの違いは、電気を通さないような素材であってもメッキを行うことが可能な点です。
また、電極からの位置関係が皮膜の生成に関わることもないので、どんなに複雑な形状の素材でも皮膜を均一に生成させることが可能です(下図)。

無電解ニッケルメッキの皮膜は耐食性に優れています。
また、硬度も高く、そのため素材同士が接する際の耐摩耗性にも優れています。
1.2.無電解ニッケルメッキの用途

無電解ニッケルメッキを行う目的のうち、大きな割合を占めるのは耐食性と硬度です。
緻密でそれ自体の耐食性が高いニッケル皮膜を活用することで、品物を錆の発生などから防ぎます。
一部の化学薬品に対しての耐性(耐薬品性)も高く、化学的な環境で使用する品物にも活用することができます。
また、高い硬度のため、機械の摺動部品などへの適用も盛んです。
通電性・はんだ付け性などの電気的性質を利用するパターンもあります。
主な用途を以下にまとめます。
・軸受などの機械部品(耐食性や耐摩耗性)
・シリンダなどの自動車・船舶・航空機の部品(耐食性や耐摩耗性)
・光学機器など精密機械の部品(均一性や耐食性)
・電子部品(導電性やはんだ付け性)
・化学部品(耐薬品性など)
2.無電解ニッケルメッキの皮膜
2.1.皮膜の構成

一般的な無電解ニッケルメッキの皮膜は、ニッケルとリンの化合物で構成されています。
含まれるリンの含有率に応じて、結晶構造の変化などから、皮膜の性質も少しずつ変わります。
以下はそれぞれの性質です。
リン含有率1~4%以下:低リンタイプ
・耐食性は劣る。
・耐酸性は劣るが耐アルカリ性は良好。
・熱処理をしなくても硬度が高く、耐摩耗性が高い。
・はんだ付け性に優れている。
・磁性がある。
・ガラス等特殊素材への密着性も高い。
リン含有量8~10%:中リンタイプ
・耐食性は良好。
・耐酸性、耐アルカリ性は普通。
・硬度(耐摩耗性)は普通。
・一般素材への付きまわりが良い。
・汎用性が高く、用途が広い。
リン含有量11~12%:高リンタイプ
・耐食性はそれなりに高い。
・耐酸性に優れ、耐アルカリ性に劣る。
・硬度(耐摩耗性)は普通。
・非磁性である。
無電解ニッケルメッキを行うときは、これらの性質を利用し、適切なリン含有率も選ぶことになります。
2.2.膜厚の管理

また、皮膜の構成と共に皮膜の厚さ(膜厚)の指定も必要です。
膜厚は耐食性や耐摩耗性にも関わるものなので、十分な検討が必要です。
メッキメーカーは、無電解ニッケルメッキの膜厚の管理をメッキ時間で行うことも多いです。
無電解ニッケルメッキは、析出速度と言われる皮膜の生成の速度がほぼ一定なので、長い時間をかけるほど、厚い皮膜を作ることができるのです。
膜厚が厚いほど、耐食性や耐摩耗性は高くなりますが、どのぐらいが適切なものかは適宜選択する必要があります。
当然、厚くするほど時間もコストも要してしまいます。
2.3.用途と膜厚

実はJIS(日本産業規格)では無電解ニッケルメッキの膜厚を7つの等級に分けています。
以下はその概要です。
1級(最小膜厚3μm):主な用途ははんだ付け
2級(最小膜厚5μm):主な用途は防食性・はんだ付け
3級(最小膜厚10μm):主な用途は防食性・耐摩耗性
4級(最小膜厚15μm):主な用途は防食性・耐摩耗性
5級(最小膜厚20μm):主な用途は防食性・耐摩耗性
6級(最小膜厚30μm):主な用途は防食性・耐摩耗性
7級(最小膜厚50μm):主な用途は防食性・耐摩耗性
はんだ付けなど電気的特性用途には薄い膜厚を、防食性や耐摩耗性(硬度)目的なら厚めの膜厚を選択するのが一般的です。
また、同じ防食性や耐摩耗性でも、膜厚は厚いほど優れています。
3.無電解ニッケルメッキを依頼するときの図示法
3.1.さまざまな図示方法

無電解ニッケルメッキの原理や特徴を中心に述べてきましたが、ここからが本題です。
実際に無電解ニッケルメッキを製品にほどこしたいとき、メッキメーカーにはどのように伝えればよいのでしょうか?
最もシンプルな方法は、製品の図面に図示することです。
ただし、一言で無電解ニッケルメッキと言っても、皮膜にもリン含有率などのさまざまなタイプがあったり、膜厚の指定なども必要になることがあります。
そこで、ここでは無電解ニッケルメッキの諸条件も含めた図示の方法を3パターン紹介します。
特記事項に図示する方法

図面には、メッキのような表面処理以外にも、さまざまな指定事項を特記事項として記載することがあります。
ここに無電解ニッケルメッキであること、その皮膜のニッケルとリン等の含有率、膜厚を記入する方法です。
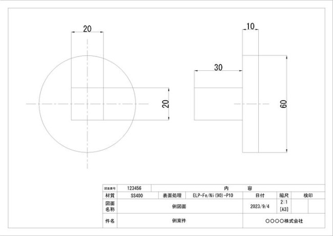
例の図中の表題欄の上に書かれている特記事項には、以下のように記載されています。

表題欄に文字で記入する方法

図面には必ず表題欄があります。
表題欄には図題や尺度など、さまざまな図面の情報が書かれますが、ここに表面処理方法の欄を設けて記載することも良い方法です。
例の図面でも表題欄に表面処理の情報を作っていますが、デメリットとしては文字が若干小さくなってしまい、見えにくくなってしまいます。

表題欄に記号で記入する方法

もう一つ表題欄を活用する方法ですが、メッキにはJISで規定された記号による表記法があります。
JISでの規定なので、これはどこのメッキメーカーでも共通の認識として伝えることができます。
これを書き込むことで指定してやれば、細かいメッキ条件に至るまで表題欄に情報として入れ込むことができます。
例の図面でも文字で記載するよりはっきりと見えますが、記号の意味がわかっていなければ、意味を伝えることもできません。
そこでこの後、JISで規定された無電解ニッケルメッキの記号を解説してゆきます。

3.2.JIS記号の意味(基本構成)

JIS記号による表記の部分を文字として抜粋すると、
ELP-Fe/Ni(90)-P10
と書かれています。
構成としては、この記号を5つに区切りましょう。
[ELP-] [Fe/] [Ni(90)] [-P] [10]
という5つの構成とし、それぞれについて意味を説明します。
ELP-
最初の「ELP-」の表記は無電解ニッケルメッキであることそのものを示します。
ちなみに、電解メッキの場合はこの表記が「Ep-」となります。
Fe/
次の表記「Fe/」は、メッキ素地の物質を表しています。
その物質の元素記号を記入し、その後に/(スラッシュ)を入れます。
無電解ニッケルメッキは鉄やアルミニウムなどさまざまな素材にほどこすことができますが、この例では鉄(元素記号Fe)の表記ということになります。
Ni(90)
その次の表記は皮膜の基本物質です。
こちらも元素記号で表します。
無電解ニッケルメッキはニッケルとリンの化合物皮膜とご紹介しましたが、主な成分はニッケルですので、元素記号のNiを記載します。
ただし、ニッケルとリンのように複数の物質で構成されている場合、括弧内にここに記載する物質の比率を書きます。
Ni(90)と書かれたこの例の場合は、ニッケルが90%という意味になります。
単一の物質であれば括弧内の記載はありませんが、無電解ニッケルメッキの場合は皮膜はリンもしくはそれ以外の物質との化合物になることが一般的です。
-P
皮膜の主となる物質の後、化合される物質も記載します。
こちらも元素記号で、-(ハイフン)を書いた後に記入します。
この例の場合は無電解ニッケル-リンメッキということなので、リンの元素記号Pが-の後に入ります。
なお、主物質のニッケルが90%の比率だったので、リンは残りの10%ということになります。
つまり、この例の皮膜はリン含有率10%の中リンタイプということになります。
10
最後に書かれている数字は最小膜厚です。
単位はμmで数字のみ記入します。
この例では最小膜厚10μmです。
以上が基本構成で、これらをまとめると
ELP-Fe/Ni(90)-P10
の表記は、「鉄素材への無電解ニッケル-リン(ニッケル90%)メッキで最小膜厚10μmを行う」という内容を表しています。
3.3.JIS記号の意味(その他の構成)

JIS記号を利用して、他の情報を加えることも可能です。
前に述べたメッキの等級を示しておきたい場合、最後に [等級の数字] という形で記載します。
例えば、前の例で等級を3級とする場合、
ELP-Fe/Ni(90)-P[3]
と書いてやれば良いです。
3級であれば最低膜厚10μmであることが決められているので、10の数字は必要ありません。
注意点として、[ ]に括られていない数字なら最低膜厚そのものの数字、[ ]に括られていたら等級の数字がくることになるので、間違えないようにしなければいけません。
また、基本構成の後にさらにメッキのタイプを記載することがあります。
主なメッキのタイプの記号は光沢メッキb、黒色メッキbk、二層メッキdなどです。
無電解ニッケルメッキは黒色メッキもありますので、例えばこの記事の例のものを黒色メッキで指定する場合は、
ELP-Fe/Ni(90)-P10bk
と記載すれば良いです。
その他、さらにその後に「 /後処理の方法」を記載する方法や「:使用環境」を記載することもあります。
4.無電解ニッケルメッキを依頼する際の注意点

一点、メッキを依頼する際に注意しておくべきことがあります。
本記事でも膜厚の数字は「〇〇以上」とか「最小膜厚〇〇」という表現で記載しましたが、膜厚を指定した場合、その膜厚ピッタリの値に収めることは困難です。
通常は「〇〇μm以上」という指定の仕方をし、少し上回るぐらいの膜厚で仕上がります。
μm単位のシビアな寸法を製品寸法としている場合、このあたりは注意しておいたほうが良いかもしれません。
また、そのようなことも含め、相談もできるような信頼できるメッキメーカーさんを探すことも重要です。
メーカーによって取り扱うメッキの種類や方法も違う場合があるので、所望のメッキが可能かどうか、記事内の図示方法などで図面も提示してみて、メッキメーカーさんに相談してみましょう。
5.まとめ
無電解ニッケルメッキを依頼するときの伝え方(図示法)について解説しました。
以下はそのまとめです。
・無電解ニッケルメッキはニッケルとリンの化合物を膜厚としており、その比率によって性質も異なる。
・無電解ニッケルメッキの膜厚によって用途も異なる場合がある。
・無電解ニッケルメッキを依頼する場合、皮膜構成や膜厚を指定する必要がある。
・無電解ニッケルメッキを図示によって指定する場合、特記事項に図示する方法、表題欄に文字で記入する方法、表題欄に記号で記入する方法などがある。
・記号で記入する場合、その方法はJISによって規定されている。





