2024.02.14
ブログ
【メッキ技能士直伝】JIS記号でわかる!無電解ニッケルメッキの等級や用途

無電解ニッケルメッキはいまや多くの分野で効果を発揮する技術です。
工業分野で広く用いられる無電解ニッケルメッキは、さまざまな形で図面に表記されています。
図面内で表面処理法をじっくり見ることは少ないかもしれませんが、実はその部分を見ることで色々なことがわかります。
例えば、JIS記号で図示された無電解ニッケルメッキを見てみると、そのメッキの用途や特徴まで見て取ることができることもあります。
こういったJIS記号の読み解き方は、その製品のバックグラウンドも知ることができるため、より深く製品の内容を知る手がかりにもなります。
本記事でもその見方をいくつかご紹介します。
より深く図面を見ることができる一助となれば、幸いです。
1.無電解ニッケルメッキとは
1.1.無電解ニッケルメッキの特徴

ニッケルという金属は耐食性に優れ、硬くて丈夫な性質を持っています。
鉄やアルミなどの表面にニッケルの皮膜を付着させると、その素材は錆びにくく、また硬くて傷つきにくい性質を持ってくれます。
このような表面処理方法をニッケルメッキといいます。
通常、ニッケルメッキというと素材に通電してニッケル皮膜を付着させる電解ニッケルメッキが一般的です。しかし、本記事で扱う無電解ニッケルメッキも、多くの場面で活用されるとても優れた表面処理方法です。
無電解ニッケルメッキは、皮膜を付着させる工程で通電を必要とせず、メッキ液内の電解液を利用した化学還元によって発生する電子を利用します。
したがって、電気を通さないような物質にメッキを行うことも可能です。
また、電解ニッケルメッキでは電極との距離に応じて皮膜の厚みにムラやバラツキが生じるのに対し、無電解ニッケルメッキは均一な皮膜が生じます。
複雑な形状であっても、あらゆる面に決まった膜厚の皮膜を付着させることが可能となるため、機械部品などへのメッキにはとても有用です。
1.2.無電解ニッケルメッキの主な用途

ニッケルメッキの大きな特徴として、耐食性の高さと皮膜の硬さがあります。
無電解ニッケルメッキでもその特徴は変わりません。
表面を錆などの腐食から守りたいときや、アルミニウムなどの柔らかい素材で作られた製品の表面を硬くしたいときなどに、無電解ニッケルメッキはよく活用されます。
また、機械の摺動部など、他の部品と接触する部分の耐摩耗性は硬い表面ほど良く、そのような部品へのメッキとしても有用です。
無電解ニッケルメッキは複雑な形状であっても均一にメッキできる点も見逃せません。
これらの性質から、自動車や航空機、船舶などの部品や機械部品などの一見均一なメッキが難しそうなものによく利用されています。
一部の化学薬品にも強い耐薬品性も持っているため、このような部品が化学環境下で使用される場合に利用することもできます。
他にも、はんだ付けをしやすくできるはんだ付け性という性質から、電子部品に適用される例もあります。均一性と磁性などの関係もあり、ハードディスクのような部品にも使われています。
2.無電解ニッケルメッキの図示法
2.1.メッキを図に示す必要性

無電解ニッケルメッキに限らず、製品をメッキする場合、その旨は製品の図面にも記載する必要があります。その製品がどのような表面をしているかは、寸法や形状と同時に大切な情報なのです。
メッキなどの表面処理の方法が載っていることで、その製品の耐久性を示唆することにもなるためです。
例えばそれが他の部品と接する部品であった場合、表面が異種金属同士であると、そこから電食という現象が起きてしまうこともあります。
電食が起こると、せっかくメッキをしていてもその部分で腐食する事態が起きてしまいます。メッキの図示は製品を守るためにも、とても重要なことなのです。
2.2.さまざまな図示法

メッキの図示法にはさまざまな方法があります。
図面を作成する際、注意点など特記事項を記載する場合があります。
一つの方法としては、その特記事項に表面処理の方法を記載することがあります。
下図は特記事項に無電解ニッケルメッキの旨を記載した例です。
「無電解ニッケル-リンメッキ(ニッケル90%)」という記載は一般的な無電解ニッケルメッキは皮膜がニッケルとリンの化合物から生成されているための記載で、そのうちニッケルの割合が90%であることを意味しています。
また、図のように皮膜の膜厚も記載しておくことは、読図するメッキ業者にとってもその後図面を使用するユーザー様にとっても有り難い情報です。

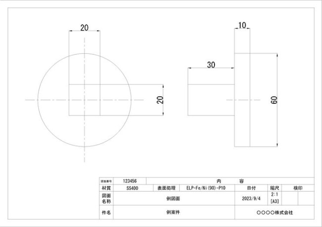
図面には表題欄がありますので、その表題欄に記載することも有効な方法です。
表題欄には他にもその製品に関わる重要な情報が載っていることが多く、読図するときにも見落とさないように注意しましょう。
下図は表題欄に記載した図面例です。


3.JISによるメッキの記号
3.1.JISとは

ここまでの例では、無電解ニッケルメッキの表記に言葉そのままを使っていましたが、これをJIS記号で表記する方法もあります。
記号で表すということは、ある程度意味がわからないと読図できないものでもありますが、それでもJIS記号を知ってその表記を行うことには意味があります。
そもそもJISとは日本産業規格のことで、JISという呼称はJapanese Industrial Standardsの略です。日本の産業製品に関する国家規格で、日本国内の製品の多くはこの規格に準拠しています。
どんな製品を作るも自由ではありますが、ある程度の規格を設けることで、無秩序に製品が乱立することを防ぎ、ユーザー様も統一した使い方ができるのです。
例えば、ネジのサイズなどは呼び径が決まっていれば、ピッチや細部の寸法もJISによって決まっており、どこかのネジを失くしてしまっても別のネジをすぐに買ってくることができます。規格がバラバラだと生産元に再制作の依頼をしなければならないところを、このような規格があるおかげで格段に使いやすくしてくれているのです。
このようなJISによる規格はネジだけではなく、あらゆる技術にあります。
そして、メッキもその例外ではありません。
メッキにもある程度の規準があり、その表記はJISの記号によってなされます。
つまり、JIS記号を知って記載しておくと、日本の国家規格に沿ったメッキを行うことができることになります。
3.2.JISによる無電解ニッケルメッキの記号

図面内にJIS記号で無電解ニッケルメッキを表記する場合、下図のような表記になります。


一見難しい表記にも見えますが、順を追ってゆけばだんだん理解してゆけるものです。
ELP-Fe/Ni(90)-P10 という表記のうち、ELPという表記が無電解メッキを表しています。
また、Feは鉄素材であること、/Ni(90)-Pは皮膜がニッケル90%とリンの化合物であることを表しています。
つまり、ここまでで鉄素材に無電解ニッケルメッキを行っていることを表しており、ニッケルとリンの配合はニッケル90%とということになります。
最後の 10 の表記は、膜厚です。
無電解ニッケルメッキの場合、膜厚はメッキ時間にほぼ比例する形で管理しますが、この表記の場合はニッケル-リンの膜厚が10μm以上であることを示しています。
基本的な表記はこのぐらいですが、他にもメッキのJIS記号表記は決まりがあり、それを読み解くことでよりメッキの使用法などがわかることがあります。
4.記号からわかること:等級
4.1.メッキの等級とは

メッキには等級というものがあり、これはメッキの膜厚で決まります。
この等級を記号で記載する方法もあり、これを読み解けると、メッキをどのような目的で行うかを知ることもできます。
JISによるメッキの等級は下表のように分類されます。
| 等級 | 素材 | めっきの最小厚さ | 参考用途 |
| 1級 | 鉄及び鉄合金銅及び銅合金アルミニウム及びアルミニウム合金 | 3μm | はんだ付け |
| 2級 | 鉄及び鉄合金 銅及び銅合金 アルミニウム及びアルミニウム合金 |
5μm | 防食はんだ付け |
| 3級 | 鉄及び鉄合金 銅及び銅合金 アルミニウム及びアルミニウム合金 |
10μm | 防食対磨耗 |
| 4級 | 鉄及び鉄合金 銅及び銅合金 アルミニウム及びアルミニウム合金 |
15μm | 防食対磨耗 |
| 5級 | 鉄及び鉄合金 銅及び銅合金 アルミニウム及びアルミニウム合金 |
20μm | 防食、対磨耗 |
| 6級 | 鉄及び鉄合金 銅及び銅合金 アルミニウム及びアルミニウム合金 |
30μm | 防食対磨耗 |
| 7級 | 鉄及び鉄合金 銅及び銅合金 アルミニウム及びアルミニウム合金 |
50μm | 防食対磨耗 |
4.2.無電解ニッケルメッキの等級と用途

無電解ニッケルメッキの等級を記号で表す場合、例えば ELP-Fe/Ni(90)-P[3]というような書き方を行います。最後の[3]という部分が等級3という意味です。
表の等級3の膜厚をみると、これはつまり膜厚10μmということになります。
等級によって用途も記載されている通り、JISの等級がわかっていれば、おおよそのメッキの目的もわかります。
例えば、3μmぐらい薄い膜厚であればはんだ付け目的、10μm以上の厚い膜厚であれば、防食か対摩耗(硬度)であることなどです。
その点も含め、あえて記号に等級を書き加えておくことも有効な意思表示になります。
5.記号からわかること:使用環境

また、それ以上に使用環境を図示することも可能です。
使用環境を記号で表す場合、以下のようなA~Dで示すことになります。
| 使用環境 | 使用環境条件 | 記号 | 参考(例) |
| A | 腐食性の強い屋外環境 | A | 海浜、工業地域など |
| B | 通常の屋外環境 | B | 田園、住宅地域など |
| C | 湿度の高い屋内環境 | C | 浴室、厨房など |
| D | 通常の屋内環境 | D | 住宅、事務所など |
表記の仕方としては、使用環境を:のあとに書くようにし、即ち ELP-Fe/Ni(90)-P[3]:Aといった表記になります。
このような記号を知っておくことで、製品がどのような環境で使用するかもわかるのです。
なお、ここにないような特殊な環境の場合は、別途特記することも必要になります。
6.記号からわかること:その他

無電解ニッケルメッキには、他にも記載しておきたいことがいろいろとあります。
その都度特記に記載しても良いのですが、記号での表記法があるものもあるので、いくつかご紹介します。
黒色メッキの場合:膜厚の表記の後にbkと記載
→ELP-Fe//Ni(90)-P10bk
後処理としてベーキングを行う場合:最後(使用環境の前)に/HBを記載
→ELP-Fe/Ni(90)-P10/HB:A
塗装を行う場合:最後(使用環境の前)に/PAを記載
→ELP-Fe/Ni(90)-P10/PA:A
7.まとめとお問い合わせ
7.1.まとめ

無電解ニッケルメッキとその図示やJIS記号について解説してきました。
以下はそのまとめです。
・無電解ニッケルメッキは耐食性、硬度、はんだ付け性などさまざまな目的で用いられる表面処理方法である。
・無電解ニッケルメッキなど表面処理の方法も、図面に明記することは必要なことである。
・無電解ニッケルメッキの表記方法にはJISによる記号の表記法がある。
・JISの記号を理解しておくと、無電解ニッケルメッキの使用目的や使用環境を知ることができる。





